BMW
Boquilla de pulverización de aceite OEM 11111739907 para BMW E36, E46, E34. Original BMW.
Boquilla de pulverización de aceite OEM 11111739907 para BMW E36, E46, E34. Original BMW.
No se pudo cargar la disponibilidad de retiro
Boquilla de pulverización de aceite OEM 11111739907 para BMW E36, E46, E34. Original BMW.
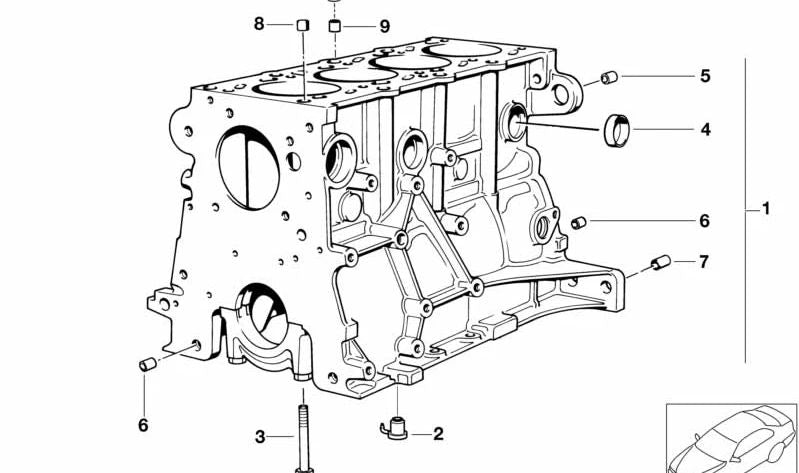
Es la pieza nº ¿? de la última fotografía.
Boquilla de Pulverización de Aceite
La boquilla de pulverización de aceite es una pieza esencial para el correcto funcionamiento del motor, asegurando una adecuada lubricación de los componentes internos. Este recambio está diseñado específicamente para modelos BMW E36, E46 y E34.
Características del Producto:
- Recambio original BMW
- Cumple con los más altos estándares de calidad
- Diseñado para proporcionar un excelente rendimiento
- Referencia OEM: 11111739907
Compatibilidad:
- BMW Serie 3 E36
- BMW Serie 3 E46
- BMW Serie 5 E34
-
Palabras clave:
- boquilla pulverización aceite
- repuestos BMW
- BMW E36
- BMW E46
- BMW E34
- lubricación motor BMW
- recambios originales BMW
- 11111739907
- accesorios BMW
- mantenimiento BMW
Es un producto original de BMW.
Válido para los siguientes modelos de BMW:
BMW Serie 3
- E36
- E46
BMW Serie 5
- E34
Información y condiciones
Información y condiciones
1. Compatibilidad y contenido: Este producto puede estar relacionado con un esquema de despiece (diagrama de piezas). Si el diagrama está disponible, solo incluye la pieza específica mencionada en el título / descripción o con su número de referencia OEM correspondiente. No todas las piezas del esquema de despiece están incluidas. Para cualquier duda sobre las piezas incluidas, contáctenos antes de realizar su pedido.
2. Número de bastidor obligatorio: En el proceso de compra, en el carrito, se encuentra un apartado donde se debe indicar el número de bastidor del vehículo. Si no se proporciona este número al adquirir piezas, no podremos verificar la compatibilidad con su BMW. La responsabilidad de verificar la compatibilidad antes de la compra recae en el cliente.
3. Plazos de entrega: El tiempo de entrega aproximado para nuestros productos es de 2 a 7 días laborales si se encuentran en stock en España 🇪🇸, y de 7 a 14 días laborales si están en stock en Alemania 🇩🇪 . En algunos casos, el plazo puede extenderse hasta 30 días laborales debido a circunstancias de fabricación, disponibilidad o logística. En productos personalizados o configurados según bastidor, el procesamiento previo al envío puede tardar de 7 a 14 días laborales adicionales. Si su pedido se retrasa, le informaremos tan pronto como sea posible.
4. Gastos de envío y devolución:
• El comprador asumirá los gastos indicados de envío y devolución, los cuales serán descontados del importe a reembolsar.
• El coste puede variar en función del importe (seguro), peso, volumen y destino del paquete.
5. Instalación y garantía: Todos los productos deben ser instalados por un profesional cualificado. No se incluyen instrucciones de montaje y no nos hacemos responsables de fallos derivados de una instalación incorrecta. La garantía de 3 años cubre defectos de fabricación, pero no cubre errores de instalación, uso indebido o incompatibilidad si no se verificó el número de bastidor antes de la compra.
🔗 Consulta aquí todas las condiciones
Compartir
