BMW
Soporte izquierdo del motor OEM 11811127099 para BMW E30. Original BMW.
Soporte izquierdo del motor OEM 11811127099 para BMW E30. Original BMW.
No se pudo cargar la disponibilidad de retiro
Soporte izquierdo del motor OEM 11811127099 para BMW E30. Original BMW.
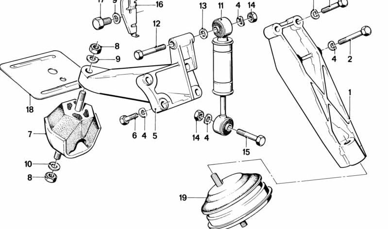
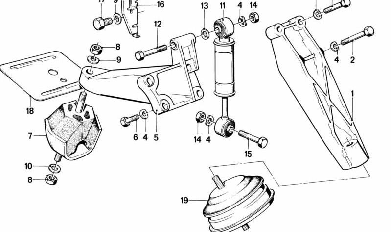
Es la pieza nº ¿? de la última fotografía.
Soporte Izquierdo del Motor para BMW E30
Este soporte izquierdo del motor es una pieza original de BMW, diseñada específicamente para el modelo BMW E30.
Con la referencia OEM 11811127099, este soporte asegura un ajuste y funcionamiento perfectos, garantizando la estabilidad y el correcto funcionamiento del motor de tu BMW E30.
Características:
- Producto original BMW, garantizando calidad y durabilidad
- Diseñado específicamente para BMW E30
- Compatibilidad exacta asegurada por la referencia OEM 11811127099
Si quieres mantener tu BMW E30 en óptimas condiciones, este soporte de motor es una pieza esencial que no puede faltar en tus reparaciones o mantenimientos.
- Soporte motor BMW E30
- Soporte izquierdo motor BMW
- Repuesto original BMW E30
- Accesorios BMW E30
- Pieza motor BMW E30 original
- Recambio motor E30
- Soporte motor referencia 11811127099
- Soporte motor OEM BMW
- Recambios BMW E30
- Componente motor BMW E30
Es un producto original de BMW.
Válido para los siguientes modelos de BMW:
BMW Serie 3
- E30
Información y condiciones
Información y condiciones
1. Compatibilidad y contenido: Este producto puede estar relacionado con un esquema de despiece (diagrama de piezas). Si el diagrama está disponible, solo incluye la pieza específica mencionada en el título / descripción o con su número de referencia OEM correspondiente. No todas las piezas del esquema de despiece están incluidas. Para cualquier duda sobre las piezas incluidas, contáctenos antes de realizar su pedido.
2. Número de bastidor obligatorio: En el proceso de compra, en el carrito, se encuentra un apartado donde se debe indicar el número de bastidor del vehículo. Si no se proporciona este número al adquirir piezas, no podremos verificar la compatibilidad con su BMW. La responsabilidad de verificar la compatibilidad antes de la compra recae en el cliente.
3. Plazos de entrega: El tiempo de entrega aproximado para nuestros productos es de 2 a 7 días laborales si se encuentran en stock en España 🇪🇸, y de 7 a 14 días laborales si están en stock en Alemania 🇩🇪 . En algunos casos, el plazo puede extenderse hasta 30 días laborales debido a circunstancias de fabricación, disponibilidad o logística. En productos personalizados o configurados según bastidor, el procesamiento previo al envío puede tardar de 7 a 14 días laborales adicionales. Si su pedido se retrasa, le informaremos tan pronto como sea posible.
4. Gastos de envío y devolución:
• El comprador asumirá los gastos indicados de envío y devolución, los cuales serán descontados del importe a reembolsar.
• El coste puede variar en función del importe (seguro), peso, volumen y destino del paquete.
5. Instalación y garantía: Todos los productos deben ser instalados por un profesional cualificado. No se incluyen instrucciones de montaje y no nos hacemos responsables de fallos derivados de una instalación incorrecta. La garantía de 3 años cubre defectos de fabricación, pero no cubre errores de instalación, uso indebido o incompatibilidad si no se verificó el número de bastidor antes de la compra.
🔗 Consulta aquí todas las condiciones
Compartir
